21/08/2023
המבנה שקע, נסדק ונטה על צידו בעקבות שקיעת יסודות. ביצענו קידוחים בסמוך למבנה, קורה קושרת ועוגנים וייצבנו את המבנה. לפרטים נוספים - נא לפנות להראל: 050-9470000 דוא"ל: RLB456@gmail.com
במבנה בפרדס חנה עם סדקים שתוקנו וחזרו, בוצע חיזוק יסודות, קורה קושרת מסביב למבנה ותמיכת קירות פנים סדוקים בפרופילי פלדה מבחוץ ללא חפירה בתוך המבנה.
חיזוק ושיקום מבנה ביישוב שקד שנבנה בבניה טרומית. המבנה עבר במשך השנים שינויים ותוספות ברמה ירודה ביצענו טיפול יסודי למבנה שכלל פלטות יסודות בסלע וקורה קושרת שחובקת את המבנה. קונזולה שתוכננה בתוך המבנה נתמכה על ידי קונסטרוצית פלדה. אדריכלית - לירון שמולביץ
היסוד שקע וגרם לשיפוע ברצפת המבנה ולסדיקה הוחלט לנתק את היסוד ולדחוק את העמוד למעלה עם ג'קים
מבנה בית כנסת סדוק שבוצע טלאים טלאים. לצורך הרחבת המבנה היה צורך להוריד עמוד. חיזקנו את היסודות והוספנו 2 עמודי בטון לייצוב המבנה. הוספנו קורות פלדה לתמיכה חלופית במקום העמוד שהורסים.
מבנה ששקע ונסדק באופן קשה בגבעת אבני שוקם ויוצב על ידי קידוחים. קורה קושרת ועוגנים העבודה בוצעה באופן עצמאי וביסודיות על ידי בעל הבית על פי תכנית שלי.
חיזוק עמודי החניונים שתומכים מבנה משותף ברמת גן. יזמתי ותכננתי את החיזוקים, כפתרון זמני עד אשר יבוצע החיזוק הקבוע, על ידי המהנדס שתכנן את המבנים והשאיר את הדיירים בסכנת חיים.
לזכרו של מאיר תמרי הי"ד שבנה את ביתו בשתי ידיו ונרצח על ידי מחבלים ארורים.
במהלך שיפוץ מבנה בקיסריה היה צורך להוריד עמוד שנושא שתי תקרות מעל. חיזקנו את היסודות ובוצעה תמיכה חלופית.
יסודות המבנה שקעו והוא נסדק. העבודה כללה תמיכה זמנית של התקרה וחיזוק היסודות תליית התקרה על ידי ברגים אל קורת בטון מעל הגג הקיים הורדת 2 עמודים רצופים שתומכים את הגג, וביצוע תמיכה חלופית אדריכלות: דלית משיח
טיפול יסודי ביסודות של מבנה שנועד להריסה - בחדרה מבנה שבוצע כמעט ללא יסודות. בוצעו קידוחים ויסודות בתוך ומחוץ למבנה וקורה קושרת מסביב למבנה - והמבנה שוקם.
בגלל תקציב דל, הוחלט לבצע את המבנה ישירות על גבי הסלעים מיפיתי את הסלעים בשטח, והמקווה נבנה על ידי כח אדם מקומי בניצוחו של בונה המקוואות יואב מליח מכפר פינס.
לצורך הוספת מקווה, אוצרות, ומאגר מים במבנה קיים בקיסריה, פתיחת הרצפה וחפירה מתחת למבנה חיזוק היסודות הקיימים ויציקת יסוד "רפסודה"
חפרנו יסודות נוספים וחיזקנו את היסודות הקיימים כדי להוסיף קומה נוספת מעל הקיימת אדריכל: שלומי ממן
הקיר נטה על צידו, בוצעו קידוחים בסמוך אליו ("שיגומים") בוצע חיזוק הקיר התומך אל השיגומים וחפירה בצמוד לשיגומים, לצורך הורדת מפלס החצר.
חיזוק יסודות, תכנון הניקוז והביוב, תמיכת קרקע טיפול באיטום ופיתוח שטח.
במבנה ישן וסדוק שלא היה ניתן להרוס בגלל שיקולי רישוי בוצעו חיזוקים ליסודות הקיימים ותוספת גג בטון
עקב ניקוז לקוי, נוצרה בעיית שקיעת קברים בבית העלמין בפרדס חנה. ביצעתי צילומי אוויר, ומיפוי מדוייק של המצבות, לצורך החזרת המצבות למקומן המדוייק לאחר חיזוק התשתיות. הטיפול כלל גם את הסדרת הניקוז.
חיזוק יסודות מבנה בית העלמין בפרדס חנה טיפול יסודי בסדקים במסגרת פרוייקט תוספת בניה
חיזוק יסודות במסגרת פרוייקט בניית אגפים חדשים בבית העלמין. יסודות המבנה הקיים היו רעועים והקירות סדוקים חיזקנו את היסודות הקיימים לצורך יציקת גג בטון מעל.
העבודה כללה חפירה בתוך מבנה בבית העלמין רשל"צ חיזוק היסודות הקיימים ויציקת יסודות חדשים
צמצום שטח ההסתרה של הנוף.
גלישת מדרונות זהו תהליך שגורם לאינספור בעיות סדיקה גלישת מדרון יכולה להיות מהירה וקטסטרופלית - אם כי זהו תרחיש נדיר יחסית, אך גלישת מדרון איטית שגורמת לתזוזת היסודות של מבנים במשך השנים היא תופעה מאוד שכיחה בעיקר באיזורים בעלי קרקע חרסיתית. מבנה או פיתוח שטח שנמצאים בקרבת קירות תמך צריכים לקבל התייחסות קונסטרוקטיבית מתאימה כדי למנוע את שקיעת היסודות ותזוזתם לכיוון המדרון. הטיפול במבנה שסובל מסדיקה ונמצא בקרבת קיר תמך יכלול לעיתים גם ייצוב וטיפול בקיר התמך בנוסף לטיפול ביסודות של המבנה עצמו. תימוכי קרקע על צלע הר מצריכים התייחסות מתאימה לעיתים נבצע קידוחים, או סוגי קשירה שונים כדי למנוע את גלישת הקיר ביחד עם המדרון.
חיזוק קירות תומכים בשיטות שונות על ידי עוגנים והתאמת הפתרונות לתנאי שטח שונים.
חפירה בתוך ומחוץ למבנה לצורך ביצוע בורות ומקווה כלים
תקרות הבטון של המבנה שקעו וקיבלו "בטן" שקיעה של כ-10 ס"מ במרכז התקרה. יישרנו את התקרות על ידי ג'קים הידראוליים והוספנו קורות פלדה לתמיכת התקרה ותוכנן חיזוק ליסודות המבנה.
שילוב של קונסטרוקציית פלדה, ובטון כולל תכנון פרטי אדריכלות
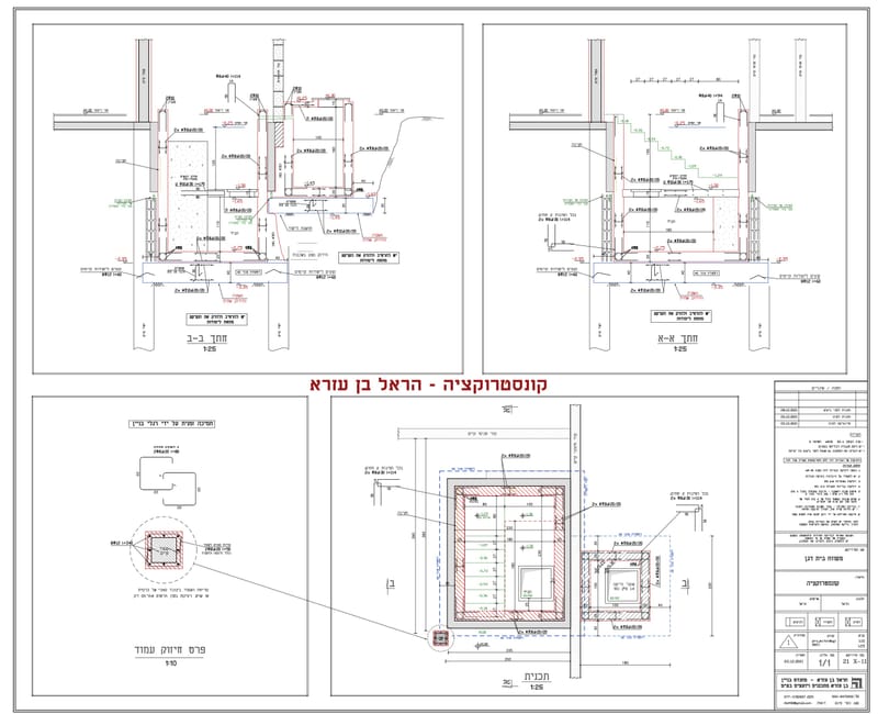
לצורך הורדת העמוד בוצעו ארבעה עמודים חלופיים מפלדה בתוך המחיצות, ובוצעה קונסטרוקצית פלדה לתמיכת העמודים אל היסוד.
במהלך שיפוץ בית הכנסת בכפר פינס היה צורך להוריד עמוד בוצעו שני עמודי בטון על גבי כלונסאות וקורה חלופית לתמיכת תקרת הבטון הקיימת
חיזוק יסודות במבנה קיים לצורך יציקת תקרה וביצוע עליית גג בחלל גג הרעפים
חיזוק היסודות הקיימים, חפירה מתחת לקורות יסוד. תכנון קונסטרוקציה. ותכנון אדריכלות של הבורות.




























































































































































